
GD型高真空挡板阀用于接通或切断真空管路中的气流。适用介质为纯净空气或非腐蚀性气体。高真空挡板阀按轴封结构可分为GD-J型橡胶轴封和GD-J(b)型波纹管轴封两种。按通导形式可分为GD-J为角通形式,GD-S为带预抽口的三通形式。
主要技术性能
适用范围:105~6.7x10-4Pa(轴封为橡胶)
105~6.7x10-6Pa(轴封为波纹管)
阀门漏率:≤1.3x10-4 Pa.L/S(轴封为橡胶)
≤1.3x10-6 Pa.L/S(轴封为波纹管)
适用温度:-25~+80℃(丁腈橡胶)
-30~+150℃(氟橡胶)
安装状态:任意
主要零件材料
DN10(b)-DN50(b) 阀体、阀杆:碳钢或不锈钢;阀盖:铝合金、
密封件:丁腈橡胶、氟橡胶、波纹管(轴封)
DN63-DN300 阀体、阀杆、阀盖:碳钢
密封件:丁腈橡胶

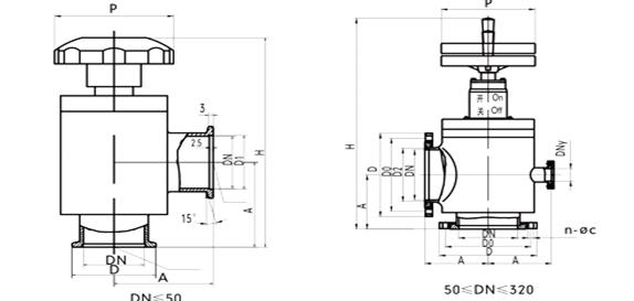
快卸法兰连接尺寸 (标准:GB4982)
型 号 | DN | A | D | D1 | d | H |
GD-J10 | 10 | 30 | 30 | 12.2 | - | 101 |
GD-J16 | 16 | 40 | 30 | 17.2 | - | 114 |
GD-J25 | 25 | 50 | 40 | 26.2 | - | 125 |
GD-J40 | 40 | 65 | 55 | 41.2 | - | 155 |
活套法兰连接尺寸 (标准:GB6070)
型 号 | DN | A | D | DO | n | c | d | H |
GD-J10 | 10 | 30 | 55 | 40 | 4 | 6.6 | - | 101 |
GD-J16 | 16 | 40 | 60 | 45 | 4 | 6.6 | - | 114 |
GD-J25 | 25 | 50 | 70 | 55 | 4 | 6.6 | - | 125 |
GD-J40 | 40 | 65 | 100 | 80 | 4 | 9 | - | 155 |
GD-J50 | 50 | 80 | 110 | 90 | 4 | 9 | - | 190 |
GD-J63 | 63 | 88 | 130 | 110 | 4 | 9 | - | 220 |
GD-J80 | 80 | 100 | 145 | 125 | 8 | 9 | - | 255 |
GD-J100 | 100 | 108 | 165 | 145 | 8 | 9 | - | 273 |
GD-J160 | 160 | 145 | 225 | 200 | 8 | 11 | 40 | 345 |
GD-J200 | 200 | 170 | 285 | 260 | 12 | 11 | 50 | 410 |
GD-J250 | 250 | 200 | 335 | 310 | 12 | 11 | 63 | 478 |
GD-J320 | 320 | 250 | 425 | 395 | 12 | 14 | 80 | 565 |
活套法兰连接尺寸(标准:JB919)
型 号 | DN | A | D | DO | n | c | d | H |
GD-J10 | 10 | 30 | 46 | 36 | 4 | 6 | - | 101 |
GD-J16 | 16 | 40 | 54 | 42 | 4 | 6 | - | 114 |
GD-J25 | 25 | 50 | 70 | 55 | 4 | 7 | - | 125 |
GD-J40 | 40 | 65 | 85 | 70 | 4 | 7 | - | 155 |
GD-J50 | 50 | 80 | 110 | 90 | 4 | 9 | - | 190 |
GD-J63 | 63 | 88 | 125 | 105 | 4 | 9 | - | 220 |
GD-J80 | 80 | 100 | 145 | 125 | 4 | 9 | - | 255 |
GD-J100 | 100 | 108 | 170 | 145 | 4 | 11 | - | 273 |
GD-J150 | 150 | 138 | 220 | 195 | 8 | 12 | 40 | 340 |
GD-J200 | 200 | 170 | 275 | 250 | 8 | 12 | 50 | 410 |
GD-J250 | 250 | 200 | 330 | 300 | 8 | 14 | 63 | 478 |
GD-J300 | 300 | 240 | 380 | 350 | 8 | 14 | 80 | 545 |
接尺寸 (标准:JB919)
型 号 | DN | A | D | DO | n | c | d | H |
GD-J10 | 10 | 30 | 46 | 36 | 4 | 6 | - | 101 |
GD-J16 | 16 | 40 | 54 | 42 | 4 | 6 | - | 114 |
GD-J25 | 25 | 50 | 70 | 55 | 4 | 7 | - | 125 |
GD-J40 | 40 | 65 | 85 | 70 | 4 | 7 | - |
|



