
GC系列真空插板阀是在1.3×10-7~105Pa的真空系统中用来开启或隔断气流的阀门。
主要性能:
● 漏率:1.3×10-10Pa.M3/S;
● 适用压力范围: 1.3×10-7Pa~105Pa;
● 工作温度: -30℃~+150℃;
● 安装位置:任意;
● 阀板启闭两侧压力差:1000Pa~2000Pa。
原理:
以螺杆传动推动钢球架运动,撑开阀板关闭,靠弹簧力收拢阀板打开后,再退出的真空阀门。
特点:
● 结构紧凑、体积小、通导能力大;
● 能通过气体、液体、固体、下料和取样等;
● 阀体成型采用新工艺,强度高,变形小;钢球架小车装有调节螺杆,速度快慢不会憋死。
主要零件材料:
阀体、阀板、阀杆: 304;
密封件:氟橡胶、聚四氟乙烯

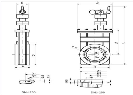
高真空固定法兰连接尺寸 (标准:GB6070)
型号 | DN | D | D0 | D1 | n | c | L | A | H1 | H |
GC-80P | 80 | 145 | 125 | 86 | 8 | M8 | 145 | 65 | 200 | 410 |
GC-100P | 100 | 165 | 145 | 106 | 8 | M8 | 165 | 70 | 240 | 490 |
GC-160P | 160 | 225 | 200 | 166 | 8 | M10 | 225 | 82 | 310 | 585 |
GC-200P | 200 | 285 | 260 | 208 | 12 | M10 | 285 | 86 | 410 | 720 |
GC-250P | 250 | 335 | 310 | 258 | 12 | M10 | 314 | 90 | 460 | 810 |
GC-320P | 320 | 425 | 395 | 328 | 12 | M12 | 385 | 100 | 550 | 920 |
GC-400P | 400 | 510 | 480 | 410 | 16 | M12 | 497 | 110 | 670 | 1050 |
超高真空铜垫密封法兰连接尺寸 (标准:GB6071)
型号 | DN | D | D0 | D1 | D2 | n | c | L | A | H1 | H |
GC-80P | 80 | 130 | 110 | 99 | 93 | 16 | M8 | 145 | 75 | 200 | 410 |
GC-100P | 100 | 152 | 130.2 | 120.7 | 114.7 | 16 | M8 | 165 | 80 | 240 | 490 |
GC-160P | 160 | 202 | 181 | 171.5 | 165.5 | 20 | M8 | 225 | 88 | 310 | 585 |
GC-200P | 200 | 253 | 231.8 | 222.3 | 216.6 | 24 | M8 | 285 | 90 | 410 | 720 |
超高真空铜丝密封法兰连接尺寸 (标准:JB5278)
型号 | DN | D | D0 | D1 | D2 | D3 | n | c | L | A | H1 | H |
GC-250P | 250 | 314 | 288 | 308 | 275 | 271 | 24 | M10 | 314 | 96 | 460 | 810 |
GC-320P | 300 | 385 | 357 | 379 | 344 | 340 | 36 | M10 | 385 | 110 | 550 | 920 |
GC-400P | 400 | 497 | 454 | 480 | 440 | 436 | 36 | M12 | 497 | 120 | 670 | 1050 |



