product line产品系列

CCD型-电动超高真空插板阀
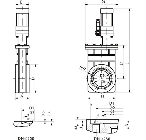
CCD型电动真空插板阀是通过电动装置驱动阀杆带动阀板作上下运动,达到阀门的开启或关闭从而接通或切断真空管路中气流的目的。适用介质为纯净空气或非腐蚀性气体。带反馈信号装置。
主要技术性能
适用范围:105~1.3x10-7Pa(DN≤200)
105~6.7x10-7Pa(DN≥250)
阀门漏率:≤6.7x10-8 Pa.L/S(DN≤200)
≤1.3x10-7 Pa.L/S((DN≥250)
适用温度:30~+150℃(氟橡胶)
开启压差: ≤2.7x103 Pa.
电源电压: 220V/50Hz
安装状态:任意,而水平为状态。
主要零件材料
阀体、阀板、不锈钢
密封件:氟橡胶、波纹管(轴封)、丁腈橡胶。





